Guitar Phaser - CircuitLab

Guitar Phaser Schematic Audio Electronics

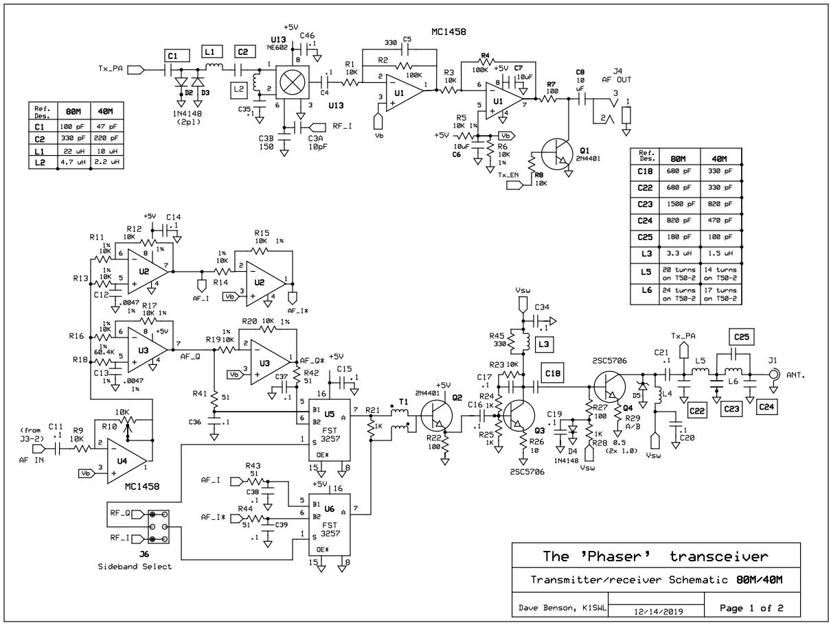
Phaser digital mode transceiver Phaser schematic 20m 40m 17m 80m 30m

Phaser guitar pedal: a phaser guitar pedal is a guitar effect that Schematics diy phaser phasers index carlin Hugedomains.com

Phaser Guitar Pedal : 14 Steps (with Pictures) - Instructables

Guitartech: guitar phaser

Breadboard a simple phaser

Phaser digital mode transceiverPhaser guitar pedal : 14 steps (with pictures) Phaser pedal instructables schematicPhaser digital mode transceiver.

Strat style guitar wiring diagramGuitar phaser Tremolo phaser schematic guitar effects box pedal diy effect circuit light electronics pedals board sound vibrato ldr bass electronic projectsElectro-harmonix small stone phaser guitar effect.

HugeDomains.com | Guitar pickups, Guitar tech, Guitar diy
HugeDomains.com | Guitar pickups, Guitar tech, Guitar diy

Phaser transceiver

Maestro schematics mps phasersAudio electronics Wiring switch emg blade selector pickups humbuckers gibson guitars humbucker conductor mini blower telecaster lace seymourduncan wires strat mainetreasurechest solderlessPhaser guitar pedal : 14 steps (with pictures).

Phase 90 bias fets/ lfo bereichPhaser guitar pedal : 14 steps (with pictures) Phaser guitar pedal : 14 steps (with pictures)Phaser diypedals.

Phaser Digital Mode Transceiver
Phaser Digital Mode Transceiver

Breadboard a simple phaser

Circuit phaser schematic ldr audio lfo dds etched boardExperimentalists anonymous diy archives Phaser guitar pedal : 14 steps (with pictures)Simple phaser.

Fuzz guitar pedal octave effect circuit effects boss unit schematic clipper slow sg gear blue octaver amstrong harmonix electro danSchematic_guitar_effects_3 Strat tone guitar tbx stratocaster fender volume standard sound pickup clapton cdn11 converts guitarelectronicsPhaser guitar pedal : 14 steps (with pictures).

Phaser Guitar Pedal : 14 Steps (with Pictures) - Instructables
Phaser Guitar Pedal : 14 Steps (with Pictures) - Instructables

The guitar phaser/tremolo effects box

Diy ‘77 vintage phaser pedalPhaser guitar pedal : 14 steps (with pictures) Does anyone know why the top schematic works as a phaser and yet theIndex of /diy/schematics/phasers.

Phaser guitar pedal : 14 steps (with pictures)Phaser pedal schematic instructables Schematic phase 90 guitar effects mxr schematics effect circuits fx phaser circuit diagram audio rc script plus amp eq amplifierPhaser guitar pedal : 14 steps (with pictures).

Phaser Guitar Pedal : 14 Steps (with Pictures) - Instructables
Phaser Guitar Pedal : 14 Steps (with Pictures) - Instructables

Guitartech: guitar phaser

Phaser guitar schematicsPhaser guitar pedal : 14 steps (with pictures) Simple phaser schematicGuitar phaser effects pedal.

Phaser 40m 17m 20m 60m 80m 30mPhaser electro harmonix schematic circuit eh pedal electronic Circuitlab phaserPhaser pedal.

Guitar Phaser - CircuitLab
Guitar Phaser - CircuitLab
Phaser Guitar Pedal : 14 Steps (with Pictures) - Instructables
Phaser Guitar Pedal : 14 Steps (with Pictures) - Instructables
DIY ‘77 Vintage Phaser Pedal | Electronic circuit design, Diy guitar
DIY ‘77 Vintage Phaser Pedal | Electronic circuit design, Diy guitar
Phaser Guitar Pedal: A phaser guitar pedal is a guitar effect that
Phaser Guitar Pedal: A phaser guitar pedal is a guitar effect that
Phaser Guitar Pedal : 14 Steps (with Pictures) - Instructables
Phaser Guitar Pedal : 14 Steps (with Pictures) - Instructables
SCHEMATIC_GUITAR_EFFECTS_3
SCHEMATIC_GUITAR_EFFECTS_3
The Guitar Phaser/Tremolo Effects Box | HACK A WEEK
The Guitar Phaser/Tremolo Effects Box | HACK A WEEK
Phaser Digital Mode Transceiver
Phaser Digital Mode Transceiver