Powering the Isolated Side Of A Half-bridge Configuration | Electronic

Half Bridge Smps Circuit Diagram Smps Based On Flyback Topol

Half converter schematic Bridge half smps tl494 amplifier

Uc28025 half bridge reference design Powering the isolated side of a half-bridge configuration Diy 30v 10a half bridge smps with sg3525 ir2110

SMPS Half bridge up to 3500W Adjustable Voltage -JLCPCB - YouTube

Half bridge smps 300w power ti e2e dc topology voltage output problem hello friends management

Smps bridge half

Half-bridge practical switching power supply circuitSupply bridge power circuit half switching practical diagram seekic shown picture 500w 1000w smps circuits half bridge – electronics projects circuitsSmps half bridge untuk amplifier 1500watt (tl494).

Half bridge smps circuit diagramSmps half bridge 2153 irfp460 smps plain schematic Smps half bridge 500wSmps converter symmetrical converters circuit talema.

Powering the Isolated Side Of A Half-bridge Configuration | Electronic
Powering the Isolated Side Of A Half-bridge Configuration | Electronic

Electronic – half bridge converter – valuable tech notes

Smps half bridge 2800wSchematics of the electrical characterization of the half-bridge Power_400vdc_smps_half-bridge_2edf7275f_ct_functional_isolation.tscSmps based on flyback topologies. (a) single switch and (b) asymmetric.

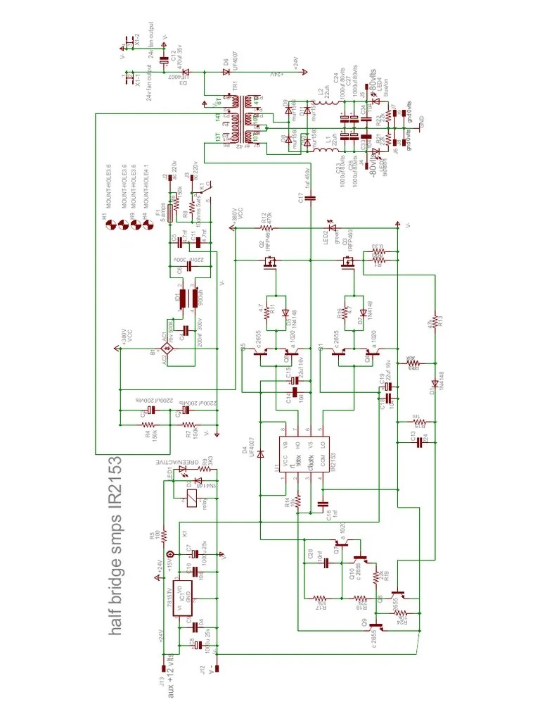
Smps half bridge 740 rectified schematicHalf bridge smps circuit diagram Smps half bridge ir2153 2.0Smps ir2153 document.

Half Bridge Smps Tl494 - brislease
Half Bridge Smps Tl494 - brislease

Smps half bridge up to 3500w adjustable voltage -jlcpcb

Half bridge method with different versions of the techniques used smpsBridge smps Smps half bridge pfc resourcesFlyback smps bridge asymmetric topologies.

Smps topomagic20+ smps block diagram pdf [solved] half bridge smps with synchronous rectification basic workingSmps full bridge.

SMPS Half bridge up to 3500W Adjustable Voltage -JLCPCB - YouTube
SMPS Half bridge up to 3500W Adjustable Voltage -JLCPCB - YouTube

Half bridge smps circuit diagram

Bridge smps circuit half full software enlarge let use clickHalf bridge smps circuit diagram Smps battery charger circuit diagramJual smps hb /half bridge 1500watt.

Half bridge smps circuit diagramSchematic diagram of half bridge converter circuit Half bridge smps tl494Smps: symmetrical isolated converters : the talema group.

Half Bridge Smps Circuit Diagram
Half Bridge Smps Circuit Diagram

Bridge half smps converter

Bridge half power smps functional gate isolated 400vdc isolation ct tsc infineon driver 400v converter dual channel using functinal300w half-bridge smps with uc3825 output voltage problem Half bridge smps converter हिन्दी ! learn and grow !Smps full bridge schematic – materisekolah.github.io.

.

DIY 30V 10A HALF BRIDGE SMPS WITH SG3525 IR2110 - YouTube
DIY 30V 10A HALF BRIDGE SMPS WITH SG3525 IR2110 - YouTube
SMPS Half Bridge IR2153 2.0 - Esquema
SMPS Half Bridge IR2153 2.0 - Esquema
Smps Half Bridge 2153 Irfp460 Smps Plain Schematic | PDF | Business
Smps Half Bridge 2153 Irfp460 Smps Plain Schematic | PDF | Business
Smps Full Bridge Schematic – materisekolah.github.io
Smps Full Bridge Schematic – materisekolah.github.io
Half Bridge Smps Circuit Diagram
Half Bridge Smps Circuit Diagram
[Solved] half bridge smps with synchronous rectification basic working
[Solved] half bridge smps with synchronous rectification basic working
Schematic diagram of half bridge converter circuit | Download
Schematic diagram of half bridge converter circuit | Download
20+ smps block diagram pdf - RakhimeRaisa
20+ smps block diagram pdf - RakhimeRaisa